Цветомузыка СССР - 62 фото ★ krots.top

Цветомузыка СССР

62 фото
Цветомузыка сполох СССР

Фото: Цветомузыка сполох СССР




ЦМУ электроника ЦМП-02


Квадратный куб с цветомузыкой


ЦМУ СССР Радуга 1

Фото: ЦМУ СССР Радуга 1


Лазерный цветомузыкальный проектор


Цветомузыка Орион 6 прожекторов


ЦМУ сполох 3


Тензоусилитель топаз-3-01


Светомузыка цветомузыка спектр 301


Цветомузыка СССР ЦМУ

Фото: Цветомузыка СССР ЦМУ


Светомузыка 80




Экран для ЦМУ


Электроника цм46


Радуга УСД-02 цветомузыкальная


Цветомузыка СССР


Цветомузыка Радуга СССР




ЦМУ сполох 2


Цветомузыка СССР


Советская цветомузыка спектр-301


Цветомузыка МСМ цветок - lt 6cc


Советская цветомузыка сполох


Цветомузыка телемеханика 6

Фото: Цветомузыка телемеханика 6


Радуга УСД-02 цветомузыкальная


Ночник салют СССР


Ростов Дон 2 цветомузыка схема


Цветомузыка диско шар


Цветомузыка m-Max 208 Pro


Цветомузыка


Цветомузыка Мираж 3


Спектр-301 у цветомузыкальная


Диско-шар USB/SD/светомузыка


Цветомузыкальное устройство Мираж-3 схема

Фото: Цветомузыкальное устройство Мираж-3 схема


Современная цветомузыка


Светомузыка spl027


Цветомузыка Радуга 4 схема


Цветомузыка Дельта 01


Советский ночник спектр






Цветомузыка янтарь 01




Цветомузыка Дельта 01

Фото: Цветомузыка Дельта 01


Магнитофон Фишер двухкассетный со светомузыкой


ЦМУ блик 1


Цветомузыка электроника ЦМП-02


Цветомузыка волна СССР


Цветомузыка СССР ЦМУ Светлана




Цветомузыкальное устройство ритм 1991


Цветомузыка СССР гамма 1


Светильник салют СССР


ЦМУ из журнала Радиолюбитель

Фото: ЦМУ из журнала Радиолюбитель




Радиоприемник Нептун 103 б1


Цветомузыка Радуга УСД-01


Советская цветомузыка


ЦМУ Мираж-3


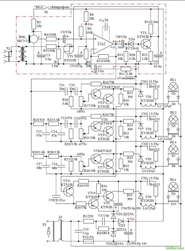
Цветомузыка на ку202




Оставить комментарий